FSD11

High Precision FSD11-30-RS485 Optical Sensor 0.01mm Thickness Flatness Measurement 15mm Laser Ranging Sensor

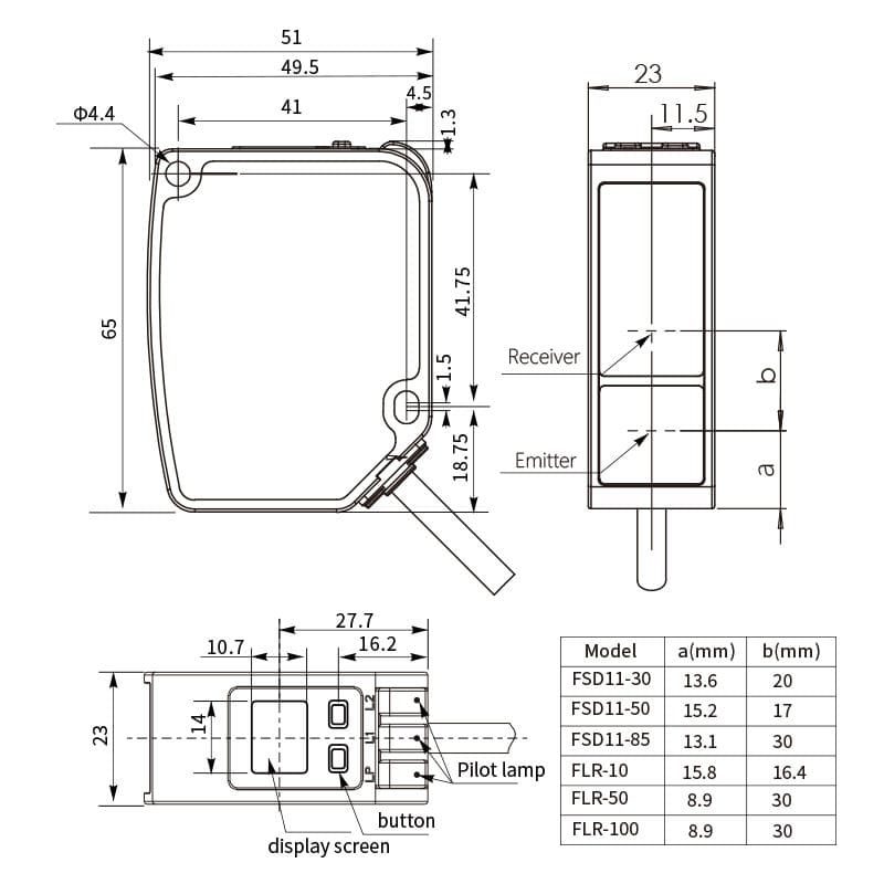
FUWEI Laser Displacement Sensor Specifications
Mounting Type Screw fixing
Manufacturing Date Code 20240430
Model Number FSD11-30-RS485
Brand Name FUWEI
Usage Measuring Distance
Description High precision laser displacement sensor
Type Laser Displacement Sensor
Series FSD11
Features High precision measurement
Place of Origin Guangdong, China
Theory Laser triangulation principle measurement method
Output RS-485 (Support ModBus protocol)
Technical Parameters
Measuring Center Distance 30 mm
Measuring Range ±5 mm
Full Range (F.S.) 10 mm
Light Spot Size 0.5 mm @ 30 mm
Resolution 2.5 μm @ 30 mm
Repeat Accuracy 5 μm
Temperature Drift ±0.08% F.S./°C
Linear Accuracy ±0.1% F.S.
Supply Voltage 10–30 VDC
Output 1 Digital value: RS-485 (Support ModBus protocol)
Packaging & Delivery
Selling Units Single item
Single Package Size 12 × 12 × 5 cm
Single Gross Weight 0.500 kg

Leave a Message